Epo разъем в ибп что это
Аварийное выключение питания, Обзор epo, Нормально разомкнутые контакты – Инструкция по эксплуатации APC X
Страница 17: Нормально замкнутые контакты
Smart-UPS X 2000/2200/3000 ВА
Аварийное выключение питания
Аварийный выключатель питания (EPO) — это функция безопасности, которая позволяет
немедленно отключить все подсоединенное оборудование от питания электросети. ИБП
немедленно завершит работу и не будет переключаться на питание от батареи.
Подключите каждый ИБП к выключателю EPO.
Чтобы снова включить подачу питания на подсоединенное оборудование, необходимо вручную
перезапустить ИБП. Нажмите кнопку
(Вкл./Выкл.) на передней панели ИБП.
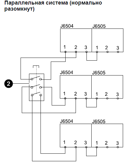
Нормально разомкнутые контакты
1. Если выключатель EPO или контакты реле нормально разомкнуты,
вставьте провода из выключателя или контакты 1 и 2 в клеменную
коробку EPO. Используйте провода 0,081–1,31 кв. мм.
2. Закрепите провода путем затягивания винтов.
Если контакты замкнуты, ИБП ВЫКЛЮЧИТСЯ, и питание нагрузки будет отключено.
Нормально замкнутые контакты
1. Если выключатель EPO или контакты реле нормально замкнуты,
вставьте провода из выключателя или контакты 2 и 3 в клеменную
коробку EPO. Используйте провода 0,081–1,31 кв. мм.
2. Вставьте перемычку между контактами 1 и 2. Закрепите провода
путем затягивания трех винтов в положениях 1, 2 и 3.
Если контакты разомкнуты, ИБП ВЫКЛЮЧИТСЯ, и питание нагрузки будет отключено.
Примечание. Контакт 1 — это источник питания для цепи EPO, он передает питание в
несколько миллиампер с напряжением 24 В.
При использовании нормально замкнутой конфигурации EPO переключатель EPO или реле
необходимо использовать в «сухих» цепях с низкими напряжением и током. Обычно при этом
контакты позолочены.
При электромонтаже EPO выполняйте все требования государственных и местных
электротехнических правил и норм. Электромонтаж должен производиться
квалифицированным электриком.
Интерфейс EPO является цепью безопасного сверхнизкого напряжения (SELV — Safety Extra Low
Voltage). Подключайте интерфейс EPO только к цепям SELV. Интерфейс EPO осуществляет
контроль над цепями без определенного потенциала. Цепи SELV управляются с помощью
выключателя или реле, надлежащим образом изолированного от электросети. Во избежание
повреждения ИБП не подключайте интерфейс EPO к какой-либо цепи, отличной от цепи SELV.
Используйте следующие типы кабелей для подключения ИБП к переключателю аварийного
отключения питания.
• CL2: кабель класса 2 общего назначения.
• CL2P: пожаростойкий кабель для использования в коробах, вентиляционных камерах и
других местах, служащих для вентиляции.
• CL2R: шахтовый кабель для вертикальной прокладки в шахтах между этажами.
• CLEX: кабель ограниченного применения для использования в жилых помещениях и
• Установка в Канаде: используйте только сертифицированные CSA кабели типа ELC
(кабель цепи управления сверхнизкого напряжения).
• Установка в остальных странах (кроме Канады и США): используйте стандартные кабели
низкого напряжения в соответствии с государственными и местными правилами.
Аварийное отключение питания (EPO) источника бесперебойного питания типа Symmetra.
1. При наличии аварийного выключателя питания ИБП должен быть подключен к сухому контакту или внешнему аварийному выключателю питания ( EPO ) на 24В постоянного тока.*
2. Выполнение проводки к переключателю «Аварийное отключение питания» (EPO).
В устройствах Symmetra PX предусмотрена возможность аварийного отключения установки, с помощью которого, при необходимости, производится удаленное управление устройством.
При наличии аварийного выключателя питания ИБП должен быть подключен к внешнему аварийному выключателю питания ( EPO ) (на 24В постоянного тока) или к «сухому» контакту системы автоматизации.
Если цепь аварийного выключателя питания использует внешние источники питания, необходимо использовать трансформаторы класса SELV для обеспечения гальванической развязки. В этом случае цепь должна быть изолирована от первичных цепей и сконструирована таким образом, что при нормальных условиях напряжение ограничено 42,4 В.
Когда этот переключатель находится в положении «On» (включено) (или заблокирован), подача электропитания к силовым блокам отключена, и система не включается в режим работы от аккумуляторных батарей. Для последующего запуска изделия необходимо предварительно физически вернуть переключатель деблокирования системы в исходное положение.
3. Схемы подключения кнопок аварийного подключения:
4.1. Расположение и внешний вид платы аварийного выключателя.
4.2. Подключение платы аварийного выключателя
Система аварийного отключения должна быть выполнена на основе фиксирующихся, защищенных от случайного нажатия, кнопочников.
Используемый кабель должен быть защищен от внешнего механического воздействия, надежно подключен к разъёмам и клеммникам. Технические решения должны исключать возможность несанкционированного доступа ко всем участкам системы аварийного отключения.
Кабельная линия выполняется двухжильным кабелем сечением от 0,5 до 1,5 мм.кв. Тип кабеля и сечение определить проектом. Способ прокладки кабельной линии должен исключать паразитное влияние электромагнитных полей (наводки).
В) Выключатель кнопочный XB7ES545P «Гриб» красный 1з+1р с фиксацией (Schneider Electric):
* Первоначальное подключение линий к изделию производится совместно с представителями компании- изготовителя оборудования.
Электропитание без перебоев
С увеличением зависимости бизнеса от ИТ и повышением требований информационных систем к электропитанию необходимость в системах бесперебойного питания становится все очевиднее.
Для защиты ИТ-оборудования от перебоев в электросети и некачественного электропитания широко применяются источники бесперебойного питания (Uninterruptible Power Supply, UPS) — ИБП. Это дополнительное оборудование, предназначенное для электропитания ИТ-систем или других устройств при кратковременном (до нескольких десятков минут) отключении основного электропитания, а также для защиты от помех и бросков в электросети и поддержания параметров питания в допустимых пределах. То есть ИБП также могут использоваться для улучшения качества электропитания.
По конструктивному исполнению ИБП можно разделить на настольные, напольные и стоечные (19″). Основное назначение любого ИБП — защита нагрузки от возможных проблем в цепях электропитания. По статистике, каждый ПК ежемесячно подвергается воздействию около 120 нештатных ситуаций, связанных с проблемами электропитания. В их числе:
| Всплески напряжения | Повышения напряжения более чем на 10% в течение более 20 мс. |
| Высоковольтные броски питания | Кратковременные импульсы напряжением до 6000 В и длительностью до 10 мс. |
| Провалы питания | Кратковременное снижение напряжения до уровня менее 80-85% от номинального. |
| Высокочастотные помехи | Помехи электромагнитного или другого происхождения. |
| Выбег частоты | Уход частоты на величину более 3 Гц от номинала (50 Гц). |
| Подсадка напряжения | Падение напряжения в сети на длительное время. |
| Пропадание напряжения | Отсутствие напряжения в электросети в течение более 40 мс. |
Таким образом, ИБП сглаживают небольшие и кpатковpеменные броски питания, фильтpуют питающее напpяжение, но их главная задача — питать нагpузку в течение некотоpого вpемени после пpопадания напpяжения в сети. Многие модели с помощью пpогpаммного обеспечения могут автоматически завершать работу ИТ-оборудования пpи пpодолжительном отсутствии напpяжения в питающей сети, а также пеpезапускать его пpи восстановлении сетевого питания или по таймеру. Некоторые ИБП предусматривают функции монитоpинга и записи параметров источника питания (таких как темпеpатуpа, уpовень заpяда батаpей и дpугие показатели), отобpажение параметров напpяжения и частоты тока, выходного напpяжения и мощности, пpедупpеждение об аварийных ситуациях и пр. При пропадании напряжения в электросети любые ИБП переключают нагрузку на питание от батареи, но есть важные отличия.
Батареи: альтернатива свинцово-кислотным аккумуляторам

Тем временем некоторые вендоры уже объявили о начале перевода нескольких моделей устройств бесперебойного питания со свинцово-кислотных аккумуляторов на литий-ионные. Их начальная стоимость пока что выше свинцово-кислотных, однако за последние несколько лет разрыв в ценах существенно сократился.
По данным Schneider Electric, в зависимости от сферы применения литий-ионных аккумуляторов в общей стоимости владения в течение срока их службы можно добиться экономии в 10-40% по сравнению с традиционными аккумуляторами.
Литий-ионные аккумуляторы (Li-ion) накапливают гораздо больше энергии в меньшем объеме. Так, в сравнении со свинцово-кислотными аккумуляторами с клапанным регулированием (VRLA) равной мощности они занимают втрое меньше места. А благодаря длительному сроку службы существенно сокращаются объемы работ и расходов по их замене.
Между тем подавляющее большинство ИБП по-прежнему комплектуется свинцово-кислотными батареями, известными своей надежностью, высоким качеством и оптимальными ценовыми характеристиками.
Классы ИБП
По принципу действия ИБП делятся на три основных класса: резервные ИБП (off-line), линейно-интерактивные (line-interactive) и ИБП с двойным преобразованием (on-line). Тип ИБП определяется соотношением параметров на входе и выходе устройства. У первых частота и напряжение на выходе определяются частотой и напряжением на входе; вторые стабилизируют напряжение на выходе при совпадении частот, а ИБП с двойным преобразованием преобразуют переменное напряжение в постоянное и вновь генерируют на выходе переменное (синусоидальное) напряжение, характеристики которого не зависят от параметров на входе ИБП.
В резервных (или пассивных) ИБП нагрузка питается напрямую от электросети, как правило, через помехоподавляющий фильтр. При отказе электросети нагрузка переключается на резервное питание от инвертора, питающегося от батарей. Такие ИБП просты и недороги, имеют высокий КПД, но не стабилизируют напряжение и частоту электросети, а переключение на питание от батарей происходит за несколько миллисекунд. Их мощность обычно невелика — от 220 до 2000 ВА.
Резервные ИБП:
| Достоинства | Недостатки |
| — Компактность, малый вес, экономичность, относительная дешевизна. | — Отсутствует стабилизация выходного напряжения; — Неполная фильтрация сетевого напряжения от помех и выбросов; помехи, генерируемые нагрузкой пропускаются обратно в сеть; — Скачкообразное изменение напряжения, частоты и формы выходного напряжения при переходе на питание от батареи (время переключения >5 мс); — Прямоугольная форма выходного напряжения вместо синусоидальной. |
Типовая область применения резервных ИБП — защита ПК или вспомогательного оборудования, где значимость хранимой информации или выполняемых операций сравнительно невелика. Эта топология не подходит в случае частых отключений или при некачественном электропитании.
Схема работы простейшего резервного ИБП показана ниже.
ИБП резервного типа: нормальный режим работы (rectifier — выпрямитель, inverter — инвертор, SPD — фильтр питания, bypass — байпас).
Для защиты более важного оборудования, например, серверов начального уровня, сетевого и телекоммуникационного оборудования, лучше использовать линейно-интерактивные ИБП. Они обеспечивают стабилизацию напряжения питания в заданном диапазоне и снижают влияние переходных процессов на работоспособность защищаемого оборудования.
Линейно-интерактивные ИБП поддерживают параметры питающего напряжения и синхронно переключают нагрузку на инвертор при его пропадании. В них инвертор включен параллельно электросети, он регулирует и стабилизирует выходное напряжение, одновременно заряжая батареи. Иногда ИБП дополняют автотрансформаторами, что позволяет расширить диапазон регулирования напряжения без перехода на батарею.
Преимущества данной технологии — стабилизация напряжения, меньшее время переключения на батареи и хорошо аппроксимированная синусоидальная форма напряжения на выходе ИБП. Существуют и более дешевые разновидности линейно-интерактивных ИБП со «ступенчатой» синусоидой.
Линейно-интерактивный ИБП: нормальная работа.
Линейно-интерактивный ИБП: аварийный режим.
Линейно-интерактивные ИБП:
| Достоинства | Недостатки |
| — Компактность, экономичность; — Ступенчатая стабилизация входного напряжения; — Почти синусоидальная форма выходного напряжения; | — Они дороже, чем резервные; — Отсутствие реальной изоляции нагрузки от сети распределения питания; — Отсутствие регулировки и стабилизации входной частоты; — Сравнительно слабая стабилизация выходного напряжения, особенно при переходных процессах или в случае пошагового изменения нагрузки; — Низкая эффективность при питании нелинейных нагрузок. |
Линейно-интерактивные ИБП можно использовать для защиты профессиональных рабочих станций, серверов среднего уровня, коммутаторов, маршрутизаторов и другого сетевого оборудования, но они не подходят для защиты сложного и дорогостоящего оборудования, чувствительного к электромагнитным помехам, колебаниям напряжения питания и нестабильности частоты питания, например, медицинского.
Линейно-интерактивные ИБП не годятся и для защиты непрерывных технологических процессов, а также для построения централизованных систем гарантированного электропитания, где важно обеспечить полную независимость электрических параметров на выходе ИБП от параметров на входе.
Разновидность линейно-интерактивных систем — ИБП с дельта-преобразованием напряжения. Благодаря усовершенствованной обратной связи напряжение на нагрузке у них регулируется плавно, а не ступенчато, обеспечивается стабилизация частоты выходного напряжения.
ИБП с дельта-преобразованием в штатном и автономном режимах.
Главное достоинство ИБП с дельта-преобразованием — высокий КПД. Однако достигается он, когда параметры напряжения сети соответствуют номинальным значениям, входной импеданс нагрузки имеет только активную составляющую, а сам ИБП нагружен на полную мощность. В противном случае повышается нагрузка на основной и дельта-инвертор, или снижается эффективность использования входного трансформатора, что ухудшает КПД. К тому же эффекту приводит расширение диапазона входных напряжений для нормального режима работы. В итоге, имея преимущество по КПД (2-3%) в идеальных условиях, ИБП с дельта-преобразованием проигрывают линейно-интерактивным в условиях реальных.
ИБП с дельта-преобразованием:
| Достоинства | Недостатки |
| — Высокий КПД (при идеальных параметрах входного напряжения); — Высокий коэффициент мощности по входу (не требуется применение корректирующих фильтров). | — Повышенная сложность из-за применения двунаправленных инверторов и, соответственно, меньшая надежность; — Меньшая степень защиты нагрузки в нормальном режиме работы от резких изменений входного напряжения вследствие инерционности схемы обратной связи; — Отсутствие защиты нагрузки в нормальном режиме работы от отклонений частоты входного напряжения; — Отсутствие встроенной гальванической развязки между входом и выходом. |
Линейно-интерактивный ИБП APC BR1000G дает на выходе не совсем чистую синусоиду, но такой аппроксимации достаточно для большинства устройств.
Самый технически совершенный класс источников бесперебойного питания — системы с двойным преобразованием — гарантируют выходные электрические характеристики, близкие к идеальным, как по напряжению, так и по частоте. За это приходится платить усложнением и удорожанием конструкции.
Системы с двойным преобразованием обеспечивают очень малое время переключения на работу от батарей и имеют высокие выходные электрические характеристики. Такие ИБП подходят для критически важных приложений, защиты мощных серверов и кластеров, телекоммуникационного оборудования и локальных сетей. Они имеют высокий КПД в режиме двойного преобразования (95-96%) и синусоидальную форму выходного напряжения.
На российском рынке присутствует более двух десятков моделей ИБП с двойным преобразованием. Примерно половина этих устройств предназначена для монтажа в стойку. Технология двойного преобразования позволяет гарантировать максимальную защиту от перебоев в электросети.
В таких ИБП входное переменное напряжение преобразуется выпрямителем в постоянное, а затем инвертором — обратно в переменное. Даже при больших отклонениях входного напряжения ИБП питает нагрузку чистым синусоидальным стабилизированным напряжением. Инвертор включен последовательно с основным источником электроснабжения и всегда находится во включенном состоянии. При пропадании входного напряжения он переходит на питание от батарей.
В обычном режиме при питании от сети электроэнергия поступает через выпрямитель и инвертор, одновременно подзаряжая батареи. В случае пропадания или сбоя питания на входе ИБП инвертер запитывается от аккумуляторных батарей. Переключение происходит без использования статического переключателя, поэтому переход на работу от батарей мгновенен. Статический ключ в данной схеме используется только для перехода на режим автоматического байпаса для питания нагрузки в случае существенного сбоя в работе ИБП.
ИБП с двойным преобразованием отличает надежная защита нагрузки по электропитанию.
ИБП с двойным преобразованием: аварийный режим, питание от батареи.
В ИБП с двойным преобразованием поддерживается точная регулировка напряжения и частоты на выходе ИБП, бесперебойно осуществляется переход в байпас. Ручной байпас можно использовать для обслуживания и «горячей» замены батарей и самого ИБП.
Такие ИБП отличают постоянная стабилизация напряжения и частоты, непрерывность фазы выходного напряжения, отсутствие влияние нагрузки на сеть, полная фильтрация питания. Но есть и отрицательные стороны — сложность конструкции и высокая цена, относительно невысокий КПД. Диапазон мощностей выпускаемых устройств очень широк — от 600 ВА до нескольких сотен кВА.
ИБП с двойным преобразованием:
| Достоинства | Недостатки |
| — Максимальная фильтрация сетевого напряжения от помех и выбросов; помехи, генерируемые нагрузкой, не пропускаются обратно в сеть; — Питание нагрузки «чистым» синусоидальным электропитанием, стабилизированным по величине, частоте и форме напряжения, при работе от сети и от батарей; — Переключение на батареи происходит мгновенно, при этом любые переходные процессы отсутствуют. | — Относительная сложность и более высокая стоимость; — Дополнительные энергозатраты на двойное преобразование напряжения, снижающие КПД; — Невысокий коэффициент мощности по входу (для его повышения требуется дополнительный элемент — THD-фильтр). |
Краткое сравнение ИБП разных классов
| Резервные | Линейно-интерактивные | С двойным преобразованием | |
| Мощность ИБП | менее 1,5 кВА | менее 4 кВА | не ограничена |
| Режим работы от сети | |||
| Стабилизация напряжения | нет | ступенчатая | полная |
| Стабилизация частоты | нет | Нет | есть |
| Фильтрация помех | слабая | средняя | максимальная |
| Батарейный режим | |||
| Частота переходов | частая | средняя | редкая |
| Время перехода на батареи | 5-15 мс | 2-6 мс | нет |
| Форма синусоиды | часто трапецеидальная | синусоидальная | синусоидальная |
| режим «байпас» | нет | нет | есть |
| гальваническая развязка | Нет | нет | возможна |
Между тем отрасль давно нуждалась в более точной классификации ИБП. Согласно стандарту IEC 32040, введены три буквенных обозначения: VFI, VI и VFD.
Второй символ характеризует колебания выходного напряжения при 100% изменении линейной нагрузки. Тестирование проводится в нормальном и автономном режимах, выбирается наихудший показатель. Третий символ характеризует колебания выходного напряжения при 100% изменении нелинейной нагрузки. Конечно, ИБП имеют и другие характеристики, и их немало.
Характеристики ИБП
Перечислим кратко главные характеристики ИБП^
| Диапазон изменения входного напряжения, при котором ИБП не переключаются на батареи. | Чем он больше, тем меньше количество переходов на батарею, что увеличивает срок ее службы. Это особенно актуально для электросетей в российских регионах, где нередки «просадки» напряжения. |
| Изменение выходного напряжения при изменении входного. | ИБП должен обеспечивать выходное напряжение для нормальной работы оборудование. Выход за допустимый диапазон может вызвать сбои в работе оборудования или даже вывести его из строя. |
| Параметры выходного напряжения при работе от батареи. | Эти параметры определяют качество питания, обеспечиваемое ИБП. |
| Процесс переключения ИБП на батарею и обратно. | Для защищаемого оборудования все переходные процессы должны быть «незаметны», выполняться быстро и корректно. |
| Поведение ИБП при перегрузке. | При перегрузке в режиме работы от батарей ИБП выключается, то есть при пропадании напряжения в сети оборудование будет обесточено. Некоторые ИБП обеспечивают индикацию (в том числе звуковую) перегрузки и/или защиту от перегрузки. |
| Наличие «холодного» старта. | Возможность включить ИБП при отсутствии напряжения в сети может пригодиться, например, если во время длительного пропадания питания нужно на короткое время включить компьютер, или требуется протестировать систему. |
| Стабилизация частоты питания. | Некоторые виды оборудования требуют стабильной частоты питающего напряжения. |
| Поддержка программного обеспечения и наличие интерфейса для подключения к ПК. | «Интеллектуальные» ИБП поддерживают программируемое отключение наименее критичных нагрузок в моменты перегрузки. Многие современные ИБП поставляются также со специальными программами, позволяющими сохранять файлы статистики работы устройства. |
| Выходная мощность, измеряемая в вольт-амперах (ВА) или ваттах (Вт). | Мощность считается одной из основных характеристик. Если суммарная мощность нагрузки будет превышать мощность ИБП, то это может привести к выходу последнего из строя, или постоянным перезагрузкам. Нужно знать, какую мощность потребляет ПК и все подключаемые к нему устройства. Активная мощность ИБП должна быть как минимум на 10-15% больше суммы мощностей блока питания ПК и монитора. |
| Время автономной работы при питании нагрузки. | Оно определяется емкостью батарей и мощностью подключенного к ИБП оборудования. У большинства офисных ИБП равняется 4-15 минутам. |
| Срок службы аккумуляторных батарей. | Обычно свинцовые аккумуляторные батареи значительно теряют свою емкость уже через 3-4 года. Срок их эксплуатации зависит от цепи зарядки батареи. В современных ИБП применяются технические решения, продлевающие жизнь батареи и допускающие ее замену. Появляются ИБП малой мощности с десятилетними аккумуляторными батареями емкостью 9–18 А*ч (которые в реальности работают пять-семь лет) вместо пятилетних (которые реально служат три года). |
| Количество разъемов питания (розеток). | Нужно подсчитать, сколько устройств требуют защиты по питанию. Наряду с разъемами бесперебойного питания в ИБП часто имеются дополнительные розетки просто с защитой от скачков напряжения. Учитывайте тип розеток — евро (CEE 7/4) или компьютерные (C-13 или C-14). |
| Индикация режима работы. | ИБП способны не только подавать звуковые сигналы в случае переключения режима, но и выдавать информацию с помощью светодиодов или выводить ее на ЖК-экран, где могут отображаться до 20 различных состояний, а также дополняются средствами управления (например, через SNMP). Некоторые модели способны информировать о необходимости замены батареи. |
| Форма напряжения на выходе. | Форма выходного напряжения может быть синусоидальной или аппроксимированной. Блоки питания ПК с активным PFC «плохо дружат» с ИБП, у которых ступенчатая аппроксимация синусоиды. С другой стороны, инвертор синусоидального сигнала более сложен, имеет более низкий КПД. |
| AVR | ИБП с хорошей работой автоматического регулятора напряжения (AVR) нужны тем, у кого напряжение в сети нестабильно. |
| Фильтр питания. | Правильный фильтр питания состоит из четырех конденсаторов и двух дросселей, в фильтре попроще дроссели заменяются на резистор или специальные перемычки. В некоторых ИБП нет фильтра — они снабжаются только варисторным ограничителем. Хотя для современной техники фильтр не является необходимостью, если его нет, то стоит внимательнее присмотреться выбираемой модели. Возможно, производитель экономит не только на фильтре. |
| Акустический шум. | Все ИБП издают шум при работе от батареи, но некоторые еще и при зарядке батарей. В общем случае лучше выбрать ИБП без вентилятора, если он не будет устанавливаться в серверной комнате. |
| Зарядка батареи. | Зарядная схема ИБП должна обеспечить оптимально быструю зарядку батареи до нужного напряжения. Однако слишком быстрая зарядка, как и зарядка до повышенного напряжения приводит к преждевременному износу батареи, а медленная не обеспечивает своевременной повторной готовности ИБП. |
Некоторые блоки питания ПК используют функцию активной коррекции коэффициента мощности (PFC) и не всегда корректно работают с приближенной, не «чистой» синусоидой питания. Это может приводить к периодической перезагрузке системы.
Мощность ИБП может указываться в вольт-амперах (ВА) или в ваттах (Вт). ВА представляет максимальную теоретическую мощность на выходе ИБП, однако доступная мощность в Вт меньше — 60% от номинала в ВА. То есть ИБП на 1000 ВА соответствует ИБП на 600 Вт.
Не стоит перегружать ИБП. Например, для защиты нагрузки в 300 Вт лучше применять ИБП на 400-600 Вт. Такой вариант надежнее и обеспечивает большее время автономной работы. Учтите также, что емкость батареи со временем падает. И не подключайте к ИБП оборудование с пиковым потреблением мощности, способное вызвать перегрузку источника питания, такое как лазерные принтеры. Некоторые ИБП имеют защиту от перегрузки.
Задача электропитания при длительном отсутствии напряжения обычно решается с помощью установки бензиновых или дизельных генераторов. Но зачастую шум, выхлопные газы, необходимость периодического обслуживания, а также высокие требования к качеству электропитания делают использование генератора неприемлемым. В таких случаях рекомендуется применение специализированных ИБП с внешним батарейным комплектом большой емкости.
Под защитой ИБП
Перебои в работе информационных систем нередко ведут к большим финансовым убыткам, поэтому приходится принимать во внимание угрозу некачественного электроснабжения, возможные перебои и даже долговременное отключение электропитания.
В мире более 40% проданных систем бесперебойного питания используется для защиты серверов, систем хранения данных, сетевого оборудования. Около 60% потребления ИБП приходится на локальные сети, телекоммуникации и ЦОД, значительное количество применяется в промышленности, поскольку многие производственные процессы требуют качественного энергообеспечения.
Около четверти мировых продаж ИБП приходится на устройства мощностью менее 1 кВА, и примерно половина продаж — на устройства мощностью до 5 кВА. Обычно их используют для защиты ПК и серверов начального уровня. В России свои ПК с помощью ИБП защищают не более 15% пользователей — большинство довольствуются сетевым фильтром.
Увеличение популярности ноутбуков также спросу на ИБП не способствует, однако серверы любого класса и сетевое оборудование, учрежденческие АТС все же нуждаются в подобной защите.
В отличие от мощных ИБП (свыше 20 кВА), жизненный цикл которых достигает 20 лет, маломощные источники питания рассчитаны на пятилетний срок службы, однако сменный блок аккумуляторов (самой недолговечной части устройства) позволяет продлить их эксплуатацию.
В небольших офисах обычно используются резервные или линейно-интерактивные ИБП. Последние относительно недороги, обладают приемлемой функциональностью и достаточным классом защиты. Более половины производителей выпускают ИБП малой и даже средней мощности в Юго-Восточной Азии по OEM-контрактам.
Для недорогих «простых» ИБП тенденцией развития стало приближение их по функциональности и эффективности (таким как ремонтный байпас для «горячей» замены или ремонта оборудования, управляемые розетки и расширенная комплектация) к «большим» ИБП.
При выборе ИБП нужно учитывать сроки гарантии на само устройство и его компоненты, например, аккумуляторы. Отдавайте предпочтение известным производителям, которые специализируются на изготовлении подобного оборудования. Определитесь с максимальным количеством и типом розеток для подключаемых устройств. В тех случаях, когда помимо периодического отключения электричества существуют проблемы параметрами электропитания, необходимо устанавливать линейно-интерактивные устройства.
В общем случае не следует гнаться за временем работы от АКБ, оно составляет обычно до 5 минут при 100% нагрузке. Лучше выбрать модель с дополнительными батарейными модулями или купить генератор. Это дешевле, чем тратится на герметичные необслуживаемые АКБ.
Источники бесперебойного питания берегут компьютерную технику от сбоев в электрической сети. Хороший ИБП надежно защитит электронные устройства от перегрузок, позволит сохранить все данные и корректно завершить работу системы при аварии в электросети. Лучше не экономить на цене устройства, и купить как минимум линейно-интерактивный ИБП, а для защиты критичных систем использовать ИБП с двойным преобразованием.
ИБП в ЦОД
Перебои в работе ЦОД наносят серьезный урон их клиентам и имиджу самих компаний. Поэтому владельцам важно находить эффективные решения для повышения надежности электропитания своих дата-центров. Мировые производители систем бесперебойного питания для дата-центров предлагают свои варианты реализации ИБП.
Какие основные требования предъявляются к «ИБП для ЦОД»? Это высокая надежность (с учетом времени восстановления системы, т.е. важен не параметр MTBF, а коэффициент готовности); высокий КПД при неполной нагрузке (50-80%), что непосредственно отражается на тепловыделении и экономичности оборудования; поддержку параллельной работы с наращиванием мощности или повышением степени резервирования; масштабируемость; высокий входной и выходной коэффициент мощности и малый коэффициент гармонических искажений входного тока, что особенно важно при организации резервного питания от ДГУ.
Другие важные факторы — компактность систем, поддержка параллельной работы, низкое тепловыделение, интеллектуальная система управления зарядом АКБ, простое техническое обслуживание и поддержка, усовершенствованные возможности выключения серверов (есть версии ПО, позволяющие осуществлять корректное завершение работы виртуальных машин), средства управления/мониторинга, в том числе дистанционного, возможность простого и интуитивно понятного переключения на внешний байпас с защитой от неверных действий персонала, хорошая поддержка со стороны производителя оборудования.
При отсутствии системы резервного электропитания от ДГУ увеличить время автономной работы можно за счет внешних аккумуляторных шкафов. В числе обязательных функций ИБП старшего класса — интеллектуальные системы управления зарядом АКБ, средства оповещения оборудования о низком заряде аккумуляторных батарей. Применение в ЦОД энергоэффективных ИБП помогает снизить потребление электроэнергии, при этом мощность и надежность источников бесперебойного питания остаются неизменными.
ИБП с двойным преобразованием обеспечивают наивысшую степень защиты от различных сбоев в электросети, так как ИТ-системы полностью ограждены от воздействия электросети и запитываются от ИБП напрямую. При использовании такого ИБП оборудование защищено от проблем, связанных с перепадами напряжения, исчезновения питания и другими возможными сбоями электросети. По этой причине ИБП с двойным преобразованием используются для обеспечения питания серверов, чувствительного к состоянию сети оборудования и других критичных устройств, от которых зависит функционирование ЦОД. Кроме того, ИБП с двойным преобразованием имеют большой арсенал функций, а также гибкие возможности масштабируемости.
FSP Group уже некоторое время назад уловила тренды растущего рынка ЦОД и начала выпуск специализированного оборудования, которое призвано снабдить провайдеров телеком-услуг необходимыми источниками энергии. Источники бесперебойного питания с двойным преобразованием серии CUSTOS 9X компании FSP перекрывают диапазон мощностей от 1K до 10K.
ИБП с двойным преобразованием FSP Custos 9X+ 10K.
Например, ИБП Custos 9X+ 10K имеет следующие особенности конструкции:
ИБП с двойным преобразователем напряжения серии FSP Custos 9X+ могут быть использованы в комплекте с дополнительными батарейными блоками, есть возможность горячей замены источников питания.
Именно эти ИБП применяет для обеспечения бесперебойной работы оборудования в своем ЦОД хостинг-провайдер RUVDS. Его система бесперебойного гарантированного электропитания построена по классической схеме. Энергоснабжение ЦОД обеспечивают две подстанции, которые питают дата-центр по двум независимым линиям. На объекте установлен комплекс ИБП и ДГУ (схема резервирования — N+1).
Каждый физический сервер подключен к источнику бесперебойного питания. Если эти составляющие вдруг не справятся, то в работу включатся дизель-генераторы, которые обеспечат дата-центр электричеством до решения проблем с подстанцией. Это важная составляющая высокой надежности VPS-хостинга.






.jpg)

%20%D0%BA%D1%80%D0%B0%D1%81%D0%BD%D1%8B%D0%B9%201%D0%B7%2B1%D1%80.jpg)
.jpg)


